
| 產地: | 日本大阪 |
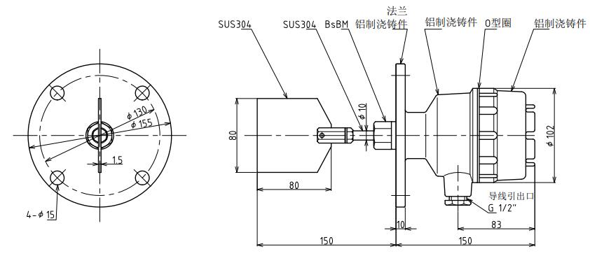
| 型號: | PRL-100L |
| 電源電壓: | AC200/220V、AC100/110V |
| 桿長L: | 150mm |
| 葉片規格: | W-1(80×80mm) |
| 工作溫度: | 罐內70℃ ,罐外55℃? (也可制作耐高溫400℃) |
| 描述: | 新增加了LED報警顯示燈,顯示更加直觀。 |
PRL-100L 是外部安裝有LED指示燈的阻旋式料位開關。
日本東和TOWA阻旋料位開關PRL-100L(LED顯示燈)
新增加了LED報警顯示燈,顯示更加直觀,做工更細致,同時也大大優化提升了產品本身的性能。
憂勢:
優秀的機械密封,性價比高,使用壽命長。
具備獨特的機械構造,可以獲得穩定的探測效果!
通過更換內部的機芯,可以低成本的長期使用。
通過撥動DIP開關,可指定指示燈在槳葉停止時亮起或旋轉時候亮。
